Zhejiang Sehnaider Electric Co., Ltd.
Zhejiang Sehnaider Electric Co., Ltd.
Құралдар
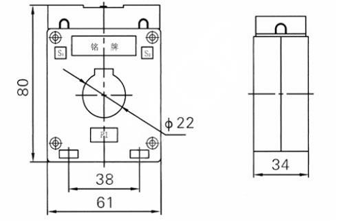
BH-0.66-20 Ағымдағы трансформаторлар
  • BH-0.66-20 Ағымдағы трансформаторларBH-0.66-20 Ағымдағы трансформаторлар

BH-0.66-20 Ағымдағы трансформаторлар

BH-0.66-20 Ағымдағы трансформаторлар - бұл әр түрлі өнеркәсіптік қосымшалардағы электр тогын дәл өлшеуге және бақылауға арналған жоғары сапалы ток трансформаторлары. Номиналды ток 0,66а және 50/60 Гц жиілігімен, бұл трансформаторлар сенімді және нақты көрсеткіштермен қамтамасыз етеді.

BH-0.66-20 Ағымдағы трансформаторлар тығыз және берік дизайнды, оларды тығыз кеңістіктер мен қатал ортада орнатуға ыңғайлы ететін ықшам және берік дизайн бар. Олар ұзақ мерзімді тұрақтылық пен беріктікті қамтамасыз ету үшін жоғары сапалы материалдармен және компоненттермен жабдықталған.


Ағымдағы трансформаторларды орнату оңай және оларды қолдау оңай, оларды электрмен бөлу, энергияны басқару және өнеркәсіптік автоматика. Олар қауіпсіздік пен жұмыстың халықаралық стандарттарына сәйкес келеді, пайдаланушыларға жан тыныштығымен және олардың жұмысына деген сенімділікпен қамтамасыз етіңіз.


Жалпы, BH-0.66-20 Ағымдағы трансформаторлар әр түрлі электр жүйелері үшін сенімділік, дәлдік және беріктік ұсынатын өндірістік параметрлер мен тұрақты түрде дәл өлшеу және бақылау үшін тамаша таңдау болып табылады.


Негізгі техникалық параметрлер

Бастапқы бағаланған
Ағымдағы (A)
Ділдік
Сабақ
комбинация
Номиналды қайталама шығыс (VA) Жылу тогы (KA) Номиналды динамикалық ток (KA)
0.2 (лар) 0.2 0.5 10-дың
5-40 0.2 / 10p10
0.5 / 10p10
/ 10 10 15 90lin 220л
5-40 100лин 250lin
5-40 20 50
5-40
5-40 36 90
10
5-40 45 100
5-40 56 100
5-40
5-40 80 110
5-40 100 110



Hot Tags: BH-0.66-20 Ағымдағы трансформаторлар
Сұрау жіберу
Байланыс ақпараты
  • Мекенжай

    Сянганг индустриалды аймағы, ЮЕКинг, Жезжаң, Қытай

  • Электрондық пошта

    river@dahuelec.com

Егер сіз баға ұсыныстарын немесе ынтымақтастық туралы сұрауыңыз болса, бізді өзен@dahueleec.com мекен-жайы бойынша жіберіңіз немесе келесі сұрау формасын пайдаланыңыз. Біздің сату жөніндегі өкіл сізбен 24 сағат ішінде хабарласады. Біздің өнімдерге қызығушылық танытқаныңыз үшін рахмет.
X
We use cookies to offer you a better browsing experience, analyze site traffic and personalize content. By using this site, you agree to our use of cookies. Privacy Policy
Reject Accept