Zhejiang Sehnaider Electric Co., Ltd.
Zhejiang Sehnaider Electric Co., Ltd.
Құралдар
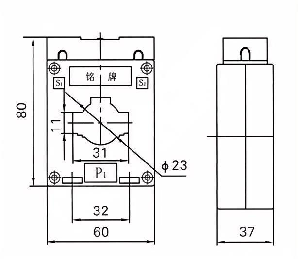
BH-0.66-30 Ағымдағы трансформаторлар
  • BH-0.66-30 Ағымдағы трансформаторларBH-0.66-30 Ағымдағы трансформаторлар

BH-0.66-30 Ағымдағы трансформаторлар

BH-0.66-30 Ағымдағы трансформаторлар (CTS) - бұл төмен вольтты электр жүйелерінде дәл өлшеу және бақылау үшін жасалған дәл-инженерлік құралдар. Есептелген оқшаулау кернеуі 0,66 кВ, бұл трансформаторлар энергияны басқару, қорғаныс релизі және есептеу қосымшалары үшін өте қолайлы.

Ерекше өзгешеліктері:

Жоғары дәлдік: ХЭК 61869 стандарттарына сәйкес келеді, есеп айырысу және бақылау мақсаттары үшін сенімді өнімділікті қамтамасыз етеді.

Шағын дизайн: кеңістіктегі кеңістіктегі құрылыс үшін, тығыз қондырғы.

Кеңектің кең ауқымы: 30А дейінгі бастапқы ток, әр түрлі өндірістік және коммерциялық жүктемелерге жарамды.

Тұрақты материалдар: Тұрғын үй қоры қоршаған орта факторларына және механикалық кернеуге төзімділікті қамтамасыз етеді.

Қауіпсіздікке сәйкестігі: BH-0.66-30 Халықаралық қауіпсіздікке сәйкес келетін трансформаторлар.


Өтініштер:

Электр тарату жүйелеріндегі энергия есептеу.

Ажыратқыштар мен эстафеталардағы шамадан тыс қорғаныс.

Smart Grids және IOT негізіндегі бақылау шешімдерімен интеграция.

Техникалық сипаттамалары:

Номиналды кернеу: 0,66 кВ

Жиілік: 50/260 Гц

Дәлдік класы: 0,5, 1.0 (Реттелетін)

Тапсырыс берушінің талаптары бойынша ауыртпалық


Негізгі техникалық параметрлер

Бастапқы бағаланған
Ағымдағы (A)
Ділдік
Сабақ
комбинация
Номиналды қайталама шығыс (VA) Жылу тогы (KA) Номиналды динамикалық ток (KA)
0.2 (лар) 0.2 0.5 10-дың
5-40 0.2 / 10p10
0.5 / 10p10
/ 10 10 15 90lin 220л
5-40 100лин 250lin
5-40 20 50
5-40
5-40 36 90
10
5-40 45 100
5-40 56 100
5-40
5-40 80 110
5-40 100 110


Hot Tags: BH-0.66-30 Ағымдағы трансформаторлар
Сұрау жіберу
Байланыс ақпараты
  • Мекенжай

    Сянганг индустриалды аймағы, ЮЕКинг, Жезжаң, Қытай

  • Электрондық пошта

    river@dahuelec.com

Егер сіз баға ұсыныстарын немесе ынтымақтастық туралы сұрауыңыз болса, бізді өзен@dahueleec.com мекен-жайы бойынша жіберіңіз немесе келесі сұрау формасын пайдаланыңыз. Біздің сату жөніндегі өкіл сізбен 24 сағат ішінде хабарласады. Біздің өнімдерге қызығушылық танытқаныңыз үшін рахмет.
X
Біз cookie файлдарын сізге жақсырақ шолу тәжірибесін ұсыну, сайт трафигін талдау және мазмұнды жекелендіру үшін пайдаланамыз. Осы сайтты пайдалану арқылы сіз cookie файлдарын пайдалануымызға келісесіз. Құпиялылық саясаты
Қабылдамау Қабылдау