Zhejiang Sehnaider Electric Co., Ltd.
Zhejiang Sehnaider Electric Co., Ltd.
Құралдар
BH-0.66-50 Ағымдағы трансформаторлар
  • BH-0.66-50 Ағымдағы трансформаторларBH-0.66-50 Ағымдағы трансформаторлар

BH-0.66-50 Ағымдағы трансформаторлар

BH-0.66-50 Ағымдағы трансформаторлар әр түрлі өнеркәсіптік қосымшалардағы электр тогын дәл өлшеуге және бақылауға арналған дәл құралдар болып табылады. Номиналды тогы 50А және трансформация қатынасы 0,66, бұл трансформаторлар ағымдағы дәл және дәл ағымдағы мүмкіндіктерін қамтамасыз етеді.

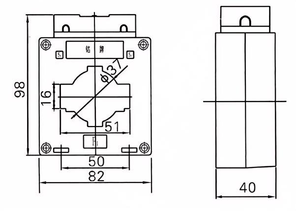
Ішкі эпоксидті шайыр Ағымдағы трансформатор немесе жабық пластмасса корпусы ток трансформаторы

• бір фаза, екі фазалық немесе үш фаза.

• Номиналды кернеу: 0,66 кВ

• CT үшін өлшеу класы: 0,2, 0,2,2,0.5, 0,5

• Стандартты: IEC61869-2

• ТҮРЛІ Аты: BH-0.66-50

Бұл ішкі құрғақ типтегі ток трансформаторы 0,66 кВ, 0.75 кВ пайдаланылады. Өлшеу және қорғау үшін қуат жүйесі.

Ол текшеде қосалқы қондырғыларда немесе орнатылған ауыстыру станцияларында қолданылған.

BH-0.66-50 Ағымдағы трансформаторлар жоғары температуралы токтама шайырдан, тазартылған және жоғары сапалы, бастапқы және екінші қосымша пайдаланылатын таза электролиттік мыс.


Өтініштер:

Электр тарату жүйелері

Энергияны басқару жүйелері

Өнеркәсіптік жабдықтардың мониторингі

Жаңартылатын энергия жүйелері


1. Премиум материалдар

Жоғары дәрежелі өзектер: минималды шығындар мен жоғары сызықтық үшін, дәлдік-ламинатталған кремнигендік болат немесе нанокристалды өзектер.  

Мықты оқшаулау: Эпоксидті шайырдың дизайндары қатал ортадағы ұзақ мерзімді тұрақтылықты қамтамасыз етеді.  


2. Жоғары көрсеткіштер

Дәлдігі: Сыныптау, 5p / 10p Сынып, 5p / 10p IEC 61869, 60044, IEEE және ANSI стандарттарына сәйкес келеді.  

Кең диапазон: жеке коэффициенттер / жиіліктері бар 0.6 кВ-36кв жүйелеріне қолдау көрсетіледі (50/60 Гц).  

Төмен жылу өсуі: оңтайландырылған дизайн қызып кетуді азайтады, өмір сүру ұзақтығын ұзартады.  

EMC Иммунитеті: сенімді сигналдар үшін электромагниттік кедергілерден қорғайды.  


3. Қызмет көрсету және қолдау

Реттелетін шешімдер: бейімделген коэффициенттер, өлшемдер немесе қосқыштар (мысалы,, DIN RAIN, IEC терминалдары).  

Жаһандық сертификаттау: ХЭК, CE, ISO және жергілікті желілерді мақұлдау.  

Lifelong техникалық көмек: тәулік бойы қолдау, орнату нұсқаулары және қосалқы бөлшектерді жеткізу.  

Жылдам жеткізу: стандартты өнімдер 2-4 аптада; жедел қажеттіліктерге арналған жедел нұсқалар.  


Негізгі техникалық параметрлер

Бастапқы бағаланған
Ағымдағы (A)
Ділдік
Сабақ
комбинация
Номиналды қайталама шығыс (VA) 1с жылу ток (Ка) Номиналды динамикалық ток (KA)
0.2 (лар) 0.2 0.5 10-дың
5-40 0.2 / 10p10
0.5 / 10p10
/ 10 10 15 90lin 220л
5-40 100лин 250lin
5-40 20 50
5-40
5-40 36 90
10
5-40 45 100
5-40 56 100
5-40
5-40 80 110
5-40 100 110




Hot Tags: BH-0.66-50 Ағымдағы трансформаторлар
Сұрау жіберу
Байланыс ақпараты
  • Мекенжай

    Сянганг индустриалды аймағы, ЮЕКинг, Жезжаң, Қытай

  • Электрондық пошта

    river@dahuelec.com

Егер сіз баға ұсыныстарын немесе ынтымақтастық туралы сұрауыңыз болса, бізді өзен@dahueleec.com мекен-жайы бойынша жіберіңіз немесе келесі сұрау формасын пайдаланыңыз. Біздің сату жөніндегі өкіл сізбен 24 сағат ішінде хабарласады. Біздің өнімдерге қызығушылық танытқаныңыз үшін рахмет.
X
Біз cookie файлдарын сізге жақсырақ шолу тәжірибесін ұсыну, сайт трафигін талдау және мазмұнды жекелендіру үшін пайдаланамыз. Осы сайтты пайдалану арқылы сіз cookie файлдарын пайдалануымызға келісесіз. Құпиялылық саясаты
Қабылдамау Қабылдау