Zhejiang Sehnaider Electric Co., Ltd.
Zhejiang Sehnaider Electric Co., Ltd.
Құралдар
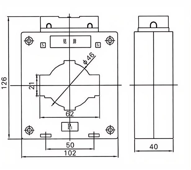
BH-0.66-60 Ағымдағы трансформаторлар
  • BH-0.66-60 Ағымдағы трансформаторларBH-0.66-60 Ағымдағы трансформаторлар

BH-0.66-60 Ағымдағы трансформаторлар

BH-0.66-60 Ағымдағы трансформаторлар компьютердің жалынын - кедергі келтіретін материалдарды, ал магниттік-өткізгіш материал - 0.2 және 0.5 деңгейіндегі өнімнің дұрыстығын қамтамасыз ету үшін тазартылған тороидтық өзек. Ultra - жоғары дәлдік деңгейі үшін, мысалы, 0,2 және 0,5-тегі деңгейлер үшін, тек супертинді магниттер ғана осындай дәлдік талаптарына сәйкес келуі мүмкін.

BH-0.66-60 Ағымдағы трансформаторлар 50 Гц, 50 Гц, 0,66 кВ, 0,69 кВ, 0.69 кВ, 0.5 кВ және одан төмен электр жүйелеріне қолданылады, ал электр энергиясын есептеу, ағымдық өлшеу және релелік қорғаныс.


Dahu-дің осы ағымдағы трансформаторы ішкі қолдануға арналған, ішіне тарату шкафтары мен қораптарға арналған. Онда роман магниттік схемалық дизайнымен, өтемдіктердің жетілдірілген әдістері, керемет өңдеу әдістері, қауіпсіз және сенімді өнімділік және кішкентай және әдемі көрініс бар.


Сыртқы қабық жоғары беріктігі - берік жалыннан жасалған - толығымен, жабық құрылымы және жалыны - v1-дің жалыны. Ішкі өзек жоғары сапалы астыққа бағытталған кремний болат парақтарынан жасалған. Сымның диаметрі температураның аз өсуін қамтамасыз ету үшін экономикалық токтың тығыздығына сәйкес қатаң түрде таңдалады. Жетілдірілген және сенімді тестілеуге арналған жабдықпен ол сапа стандарттарына сәйкестігін қамтамасыз етеді.


Онда квадрат және дөңгелек тесік түрлері бар, бірыңғай, тамырлы немесе бірнеше түбірлік кабельдің енуі немесе жалғыз - тамырлы шыңдар енуі. Онда өнімнің толық сериясы, техникалық сипаттамалары және кең қолданбалы ауқым бар.


Қолданбалар

Энергия мониторингі және есептеу

Схемаларды қорғау және эстафетаны үйлестіру

Өнеркәсіптік автоматика және Smart Grid жүйелері

Техникалық сипаттамалар

Номиналды кернеу: 0,66 кВ

Жиілік: 50/260 Гц

Дәлдік класы: 0,5, 1.0 (Реттелетін)

Оқшаулау деңгейі: 3кв / мин


Негізгі техникалық параметрлер

Бастапқы бағаланған
Ағымдағы (A)
Ділдік
Сабақ
комбинация
Номиналды қайталама шығыс (VA) 1с жылу ток (Ка) Номиналды динамикалық ток (KA)
0.2 (лар) 0.2 0.5 10-дың
5-40 0.2 / 10p10
0.5 / 10p10
/ 10 10 15 90lin 220л
5-40 100лин 250lin
5-40 20 50
5-40
5-40 36 90
10
5-40 45 100
5-40 56 100
5-40
5-40 80 110
5-40 100 110


Hot Tags: BH-0.66-60 Ағымдағы трансформаторлар
Сұрау жіберу
Байланыс ақпараты
  • Мекенжай

    Сянганг индустриалды аймағы, ЮЕКинг, Жезжаң, Қытай

  • Электрондық пошта

    river@dahuelec.com

Егер сіз баға ұсыныстарын немесе ынтымақтастық туралы сұрауыңыз болса, бізді өзен@dahueleec.com мекен-жайы бойынша жіберіңіз немесе келесі сұрау формасын пайдаланыңыз. Біздің сату жөніндегі өкіл сізбен 24 сағат ішінде хабарласады. Біздің өнімдерге қызығушылық танытқаныңыз үшін рахмет.
X
We use cookies to offer you a better browsing experience, analyze site traffic and personalize content. By using this site, you agree to our use of cookies. Privacy Policy
Reject Accept