Жоғары дәлдікті класс 0,5 - өлшеу және бақылауды есептеу үшін дәл ағымды қамтамасыз етеді.
Кең өлшеу диапазоны - әр түрлі жүктеме жағдайларын орналастыру үшін бірнеше ағымдағы коэффициенттерді қолдайды.
Шағын және жеңіл дизайн - жұмыс істеу оңай, тығыз кеңістіктерге оңай қойылады.
Тамаша жылу тұрақтылығы - тұрақтандырудың тұрақты жұмысын қамтамасыз етеді.
Күшті оқшаулау және қауіпсіздік - электр қауіпсіздігін қамтамасыз ететін салалық қауіпсіздік стандарттарына сәйкес келеді.
Жан-жақты қосымшалар - электр тарату панельдерінде, өндірістік автоматтандыру және жаңартылатын энергия жүйелерінде қолдануға өте ыңғайлы.
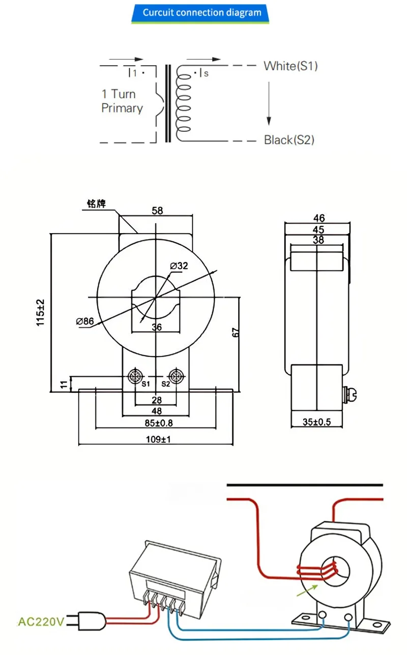
Номиналды бастапқы ток: теңшелетін (мысалы, 5а ~ 2000а)
Номиналды қайталау: 5а немесе 1а (стандартты)
Дәлдік класс: 0.5
Жиілік: 50 Гц / 60 Гц
Оқшаулау деңгейі: 3 кВ дейін
Жұмыс температурасы: -25 ° C-ға дейін, + 70 ° C
Қуат салу және энергияны бақылау
Қорғау Реляцтер және ажыратқыштар
Өнеркәсіптік және коммерциялық электр жүйелері
Күн және жел электр қондырғылары

Мекенжай
Сянганг индустриалды аймағы, ЮЕКинг, Жезжаң, Қытай
Тел
Электрондық пошта